首页 |  登录 |  注册 |  我要留言 |  收藏 |  地图 | 

   热门标签:

当前位置: >> 首页 >> 相关新闻

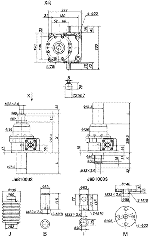
JWB100滚珠丝杠升降机安装尺寸

  JWB100滚珠丝杠升降机是我们比较常见的一种升降机,了解JWB100滚珠丝杠升降机结构形式及安装尺寸,可以更好的使用升降机。JWB滚珠丝杠升降机主要驱动为蜗轮蜗杆传动,蜗轮带动丝杠或者螺母从而实现丝杆的轴向运动。

  JWB100安装尺寸如下:

 

  JWB100滚珠丝杆升降机最大承载能力为10吨,举升丝杠利用高精密滚珠丝杠,传动效率高,使用寿命长。JWB丝杆升降机结构形式分为US\DS\UR\DR四种

  1.US主要为举升或者下拉

  2.DS为上拉或者下压

  3.UR和DR用法和前者基本相同,只是丝杆自转螺母做轴向运动。

  以上就是对JWB100滚珠丝杠升降机结构形式及安装尺寸的介绍,希望可以帮助大家多多了解JWB100滚珠丝杠升降机

浏览关于 丝杠升降机  相关的内容
上一页:丝杆升降机扭转系统原理介绍
下一页:螺旋升降机施工安全装置
   相关产品
KFB滚珠丝杆升降机,KFB滚珠丝杠升降机,德州德迈传动专业制造
KFB滚珠丝杆...
KFB系列滚珠丝杆升降机广泛应用...
DMB滚珠丝杆升降机,DMB滚珠丝杠升降机,DMB方箱滚珠升降机
DMB滚珠丝杆...
DMB滚珠丝杆升降机是将电机,减...
SJB滚珠丝杆升降机,SJB滚珠丝杠升降机,SJB方箱滚珠升降机
SJB滚珠丝杆...
SJB方箱滚珠丝杆升降机,为方箱...
伞齿轮丝杆升降机,SL锥齿轮螺旋升降机
SL锥齿轮丝杆...
SL锥齿轮升降机是一种基础的起重...
 
 企业简介 | 企业文化 | 销售网络 | 售后承诺 | 生产设备 |
友情链接:吊索具 |UV打印机 |撕碎机 |
地址: 邮编:253000 电话:0534-2418881 传真:0534-2428882
Copyright德州德迈传动机械有限公司 all Rights Reserved 鲁ICP备12030419号

鲁公网安备 37149202000415号